Hosted ongabo.esvia theHypermedia Protocol

    Añade un selector para que por tus auriculares suene el Master o el Cue

      Para hacer Vestax PMC-06 VCA Mod del selector Master/Cue a esta clásica mesa es muy sencillo. Solo necesitamos algo de cable, un selector DPDT y soldador. Además de herramientas varias como destornillador, taladro…

      Primero aclaremos unas cositas** **este tutorial es solo para las Vestax 06 VCA, las pro A son diferentes en la electrónica. Este ha sido realizado sobre la 06 dorada pero la negra es exactamente igual.

    Manos a la obra

      Lo primero abrimos la mesa y sacamos el modulo monitor (amplificación de auriculares), al desconectar todo, verás que hay un cable conectado a masa que no puedes desconectar puedes desoldarlo si quieres trabajar con mayor comodidad. El modulo es el siguiente:

    Desoldar el puente

      Lo siguiente es desoldar el puente que podemos ver en el hueco donde debería ir el conmutador. La Vestax 06 VCA usa las mismas placas que la 05 solo que obviando algunas cosas. En este caso el selector de salida de auriculares. Por eso mismo hacer Vestax PMC-06 VCA Mod Master/Cue es tan sencillo.

    Soldar conmutador DPDT

      Lo siguiente es soldar el conmutador justo en los agujeros que vemos en la imagen en el mismo orden.

      El último paso es hacer un agujero en el frontal de la mesa y colocar el conmutador.

      Como habéis podido observa es muy sencillo este Vestax PMC-06 VCA Mod Master/Cue.

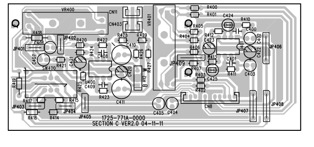
      A continuación pongo el esquema de la Vestax 05 pro3 VCA que es igual que el de la Vestax PMC-06VCA. Habría que obviar las placas de MIC y Send/return.

      Schematic Vestax PMC-06Pro3 y PMC-06VCA

    vsm-pmc-05pro3vca.pdf2.97 MB
    Download

    Do you like what you are reading?. Subscribe to receive updates.

    Unsubscribe anytime