Hosted ongabo.esvia theHypermedia Protocol

    Entradas del Handy Trax de Vestax

    Vestax Handy Trax Mods Line In va a ser la modificación a tratar en este post. El Vestax HT tiene por defecto una entrada de línea pero al conectar algo aquí el plato deja de sonar.

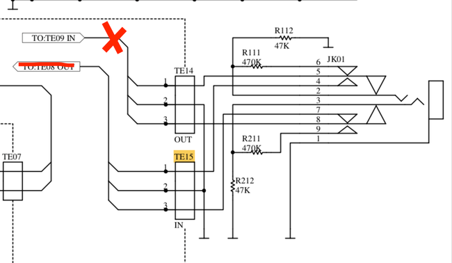
    Esquema del mod Line In del Vestax HT:

      Primero, necesitamos separar el cableado que va y viene al conector de Line in. Este conector está configurado para dejar pasar el sonido del plato cuando no hay conector introducido. Pero cuando introduces una entrada por el Line In, se abre el conector y el sonido del plato se mutea (silencia) y pasa a la parte de la amplificación la señal de linea. Para hacer que suene el Line in junto al plato, es conveniente haber hecho antes el Mod del crossfader, es tan sencillo como cortar el cable que va al conector y el otro conectarlo en otro sitio.

    Conector Line IN.

      Cortamos el cable que va al conector *TE08 *y TE09. El cable del *TE08 *– *TE15 *hay que cortarlo dejando la suficiente distancia, desde el lado del TE15, como para poder manipularlo y conectarlo en la placa donde está el control de volumen, tono,… El cable del conector *TE14 *no lo utilizaremos, por lo que es conveniente tapar la punta con un poco de cinta aislante para que no pueda moverse y tocar lo que no debe.

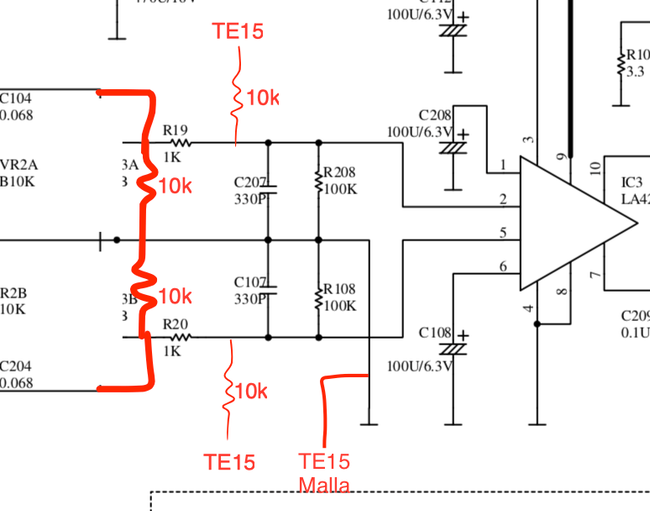
    Mixer pasivo de Line In:

      El cable que hemos cortado que sale del conector TE15, tendrá 3 puntas (L, R, GND). Una irá conectada a tierra, la del mallado. Las otras dos puntas, le añadiremos una resistencia de 10k y los conectaremos a donde indica el esquema.

      El cable Gris es el que sale del conector TE15. A continuación, hay dos resistencias de *10K *bajo un termorretráctil morado. Aunque no se observa muy bien, bajo las resistencias de *10K *hay un empalme de la malla del cable con un termorretráctil granate.

      La tierra la he conectado a donde tenía la tierra el fader de Volumen. El canal L y R lo he conectado según el esquema de arriba.

    Fin del mod

      Con esto ya tendremos nuestra entrada de línea y podremos lanzar beats para poder scratchear con el altavoz interno del propio Vestax HT. El único defecto del mod es su bajo volumen en la entrada de línea.

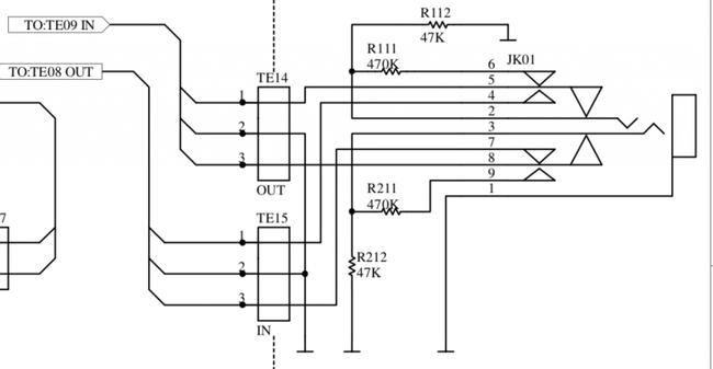
      Para solucionar esto sería conveniente realizar un preamplificador de línea pero eso nos llevaría unos cuantos post más. También se pueden reducir las resistencias (R111 y R211) de *470K *por unas menores e incrementará el Volumen. Incluso sustituir estas por un *potenciómetro *de *500KA *y poder controlar el volumen de la línea.

    Vestax Handy Trax - Crossfader mod interno

    Do you like what you are reading?. Subscribe to receive updates.

    Unsubscribe anytime