Vestax Handy Trax
Handy Trax Mods:
En esta y futuras entradas vamos a tratar de ver en el esquema de la electrónica del Vestax Handy Trax los siguientes mods:
A continuación adjunto el Service Manual oficial de este gran plato portátil sobre el que trabajaremos las Mods.
Botón Start/Stop del Motor
Si posees el plato ya sabes que el motor solo se para cuando pones la aguja en el lugar de reposo. Esto no esta pensado para scratchear ni solo ni con amigos. Por eso es casi obligatoria de hacer este Handy Trax Mod a casi cualquier plato de Portablism, ya sea el Vestax Handy Trax o el Numark PT-01 en cualquiera de sus versiones.
Para ello debemos hacernos con un botón a poner. Los botones a usar para esto son de dos tipo SPST o SPDT. Alguno de vosotros diréis ¿¿ y esto que co** es?. Lo explico, es muy sencillo, SPST significa Single Pole Single Throw (Simple Polo Simple Corte), en otras palabras, está siempre desactivado (0) y solo se activa (1) mientras lo mantienes apretado, al soltarlo volverá a desactivado (0). El SPDT Single Pole Double Throw (Simple Polo Doble Corte) es aquel botón que cuando lo pulsas mantiene el estado, como la mayoría de interruptores de la luz de casa.
Una vez sabemos esto debemos hacernos con un botón. En el ejemplo del tutorial de Open Format, vemos como usa un típico botón arcade. Este botón es del tipo SPST. Si usásemos este botón a pelo el plato solo giraría mientras lo mantenemos pulsado y eso es un poco incómodo. Por eso se ha de usar un Relé biestable (que guarda el estado) o en inglés Relay Latching (útil para buscar por internet).
Arcade Button Mod: Vestax Handy trax
Handy Trax Mod con botón SPDT
Yo en mi caso he utilizado un simple botón SPDT con luz integrada (el que tenía por casa). Este facilita la instalación ya que no necesita Relé. Para hacer este mod debes abrir el plato, anular el Fin De Carrera o botoncito que hace girar el plato cuando pones el brazo encima. Para ello aconsejo desoldarlo y en los mismos agujeros que se quedan hay que cablear el botón SPDT.
Handy trax abierto donde se observan las PCBs.
Botón luciendo.
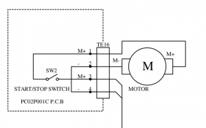
Sobre el esquema
Hablando sobre el esquema, lo que haremos será sustituir el SW2 que hay por nuestro botón SPDT.
Eschema del motor del Handy Trax con el boton que incorpora donde se reposa la aguja.
Finalmente la posición del botón, cada uno que lo ponga donde le resulte más cómodo. Tened en cuenta que la parte del plástico gris tiene un grosor mucho más grande que la otra por lo que puede afectar a la hora de poner el botón que tengáis.
Modifica tu Vestax Handy Trax con Line In: Guía Completa Paso a Paso
Do you like what you are reading?. Subscribe to receive updates.
Unsubscribe anytime